

【產品簡介】
本品為直徑800mm型單層二出口碳鋼三次元旋振篩,子母網分離式網架,整機為碳鋼,整機噴漆.
免費獲取報價
全國統一銷售熱線
800型單層旋振篩篩面直徑為800mm,處理量在800kg/時,適合中小產量用于使用,用于篩分500目以內的干式粉末或顆粒物料,過濾細至5微米。
旋振篩是一種高精度細粉篩分機械,工作原理是由直立式電機作激振源,電機上、下兩端安裝有偏心重錘,將電機的旋轉運動轉變為水平、垂直、傾斜的三次元運動,再把這個運動傳遞給篩面。調節上、下兩端的相位角,可以改變物料在篩面上的運動軌跡,由于其振動運轉原理很多企業也稱之為“三次元振動篩分過濾機”,根據外形結構被部分客戶稱呼為圓形篩。
800型單層旋振篩技術參數
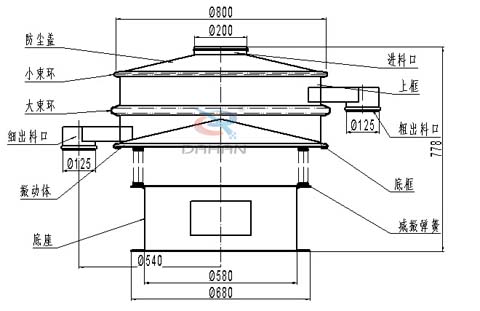
“大漢”800型單層旋振篩代號示意圖

800型單層旋振篩結構圖

800型單層旋振篩用途:

800型單層旋振篩適用的行業
化工行業:樹脂、涂料、工業藥品、化妝品、油漆、中藥粉等。
金屬、冶金礦業:鋁粉、鉛粉、銅粉、礦石、合金粉、焊條粉末、二氧化錳、電解銅粉、電磁性材料、研磨粉、耐火材料、高嶺土、石灰、氧化鋁、重質碳酸鈣、石英砂等。
公害處理:廢油、廢水、染整廢水、助劑、活性碳等。
800型單層旋振篩產品特點
1、效率高、設計精巧耐用,粉類、粘液均可篩分。
2、換網容易、操作簡單、清洗方便。
3、網孔不堵塞、粉末不飛揚、可篩至500目或0.028mm。
4、雜質粗料自動排出,可以連接作業。
5、獨特網架設計,篩網使用時間長久,換網快,只需3-5分鐘。
6、體積小,節省空間、移動方便。
7、篩網高可以達到五層。
800型單層旋振篩物料運行軌跡的調整

800型單層旋振篩部件展示:
您可能還需要了解:
目前業內報價相對透明,價格的構成主要是由三個因素決定:...
淀粉旋振篩價格: 4000-37000元 ,其價格主要有以下幾個因素決定...
河南省新鄉市作為振動篩廠家集聚地,分布有百余家的廠家,哪...
河南省新鄉市作為振動篩廠家集聚地,分布有百余家的廠家,哪...
Copyright ? 2007-2020 新鄉市大漢振動機械有限公司 版權所有
All Rights Reserved 備案序號:豫ICP備09002479號-15